Volvo XC90 T8 Arka Fren Diski 2.0 Turbo 340 mm Çap 2015 Sonrası ATE ORIGINAL
ATE, Continental Grubu'na bağlı olan bir marka olup otomobil üreticilerinin neredeyse tamamı tarafından Orijinal Ekipman olarak kullanılmaktadır. 1 Takım, sağ-sol teker içindir.
Marka
9.504,00 TL
* 1.085,04 TL den başlayan taksitlerle!!

Volvo XC90 T8 Arka Fren Diski 2.0 Turbo 390 / 407 Beygir 340 mm Çap 2015 Sonrası ATE ORIGINAL
ATE Markası, Continental Grubu'na bağlı olan bir marka olup otomobil üreticilerinin neredeyse tamamı tarafından Orijinal Ekipman olarak kullanılmaktadır.
Firma 1906 yılında Almanya'da Alfred Teves tarafından kurulmuştur.
ATE Fren Sistemleri; Alfa Romeo, Audi, Bentley, BMW, Citroen, Fiat, Ford, Opel, Mercedes, Seat, Skoda, Volkswagen, Volvo, Saab, Renault, Peugeot...vb. gibi Avrupa'nın ve Dünyanın en önemli otomobil üreticilerinin Orijinal Fren Sistemlerini tasarlar.
Firma ürün gamı içerisinde, orijinal tipte fren diskleri ve balataları yanında, çizgili fren diskleri (ATE Power Disc), seramik fren balataları (ATE Ceramic Brake Pads) ve performans hidrolik yağı (ATE Typ 200 Fren Hidrolik Yağı) gibi performanslı fren ürünleri de bulunmaktadır.
Ürün, ithalatçı ve/veya üretici garantisi altındadır.
ORİJİNAL ATE Marka olup birebir ölçülerde üretilmiştir.
Fiyatlar 1 Takım (sağ ve sol tekerlek için) fiyatıdır.
Bu ürüne ilk yorumu siz yapın!
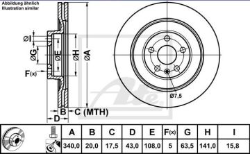
Dış çap [mm]:
340,0;
Fren diski kalınlığı [mm]:
20,0;
Asgari kalınlık [mm]:
17,5;
Fren diski türü:
Havalandırmalı;
Üst yüzey:
Kaplamalı;
Delik sayısı:
5;
İlave Ürün/Bilgi 2:
Cıvatalar ile;
MAPP kodu mevcut:
;
Delik çemberi-Ø [mm]:
108,0;
Yükseklik [mm]:
43,0;
Merkezleme çapı [mm]:
63,5;
İç çap [mm]:
141,0;
Delik Ø [mm]:
15,8
ÖNERİLEN DİĞER ÜRÜNLER


